Bạn cần giúp đỡ? Hãy gọi: 0901893894 hoặc info@nextxco.com

SKSM 650 FT | 6059483

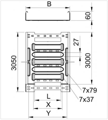
Mã Hàng. 6059483
Máng cáp nhúng kẽm nóng (Hot-dip Galvanized)
Kích thước: 60x500x3050mm
Tải trọng: Heavy-duty
Thương hiệu: OBO Bettermann
Xuất xứ: Đức
Chất lượng: Mới 100%


info@nextxco.com | +84 901 893 894 | +84 972 680 487

Thông số kỹ thuật

Randall Graves

"In light of this lurid tale, I don't even see how you can romanticize your relationship with Caitlin. She broke your heart and inadvertently drove men to deviant lifestyles."

Jay

"I don't care if she's my cousin or not, I'm gonna knock those boots again tonight."